Sign In | Join Free | My chinacsw.com
China Shenzhen Haohua  Electronic  Co.,Ltd logo
Shenzhen Haohua Electronic Co.,Ltd
Professional Pressure, Level, Temperature Transmitter solution provider
Active Member

10 Years

Home > pressure transmitter >

High Accuracy Smart Pressure Transducer for automatic device application HPT-6SSI

Shenzhen Haohua Electronic Co.,Ltd
Contact Now

High Accuracy Smart Pressure Transducer for automatic device application HPT-6SSI

Brand Name : shenzhen Haohua

Model Number : HPT-6SSI

Place of Origin : Shenzhen

Payment Terms : T/T

Supply Ability : 80000

Delivery Time : 15days

Packaging Details : FOAM+Carton

MOQ : 5 pcs

Contact Now

Introduction:

HPT-6 pressure transducers are based on piezoresistive silicon pressure sensor packaged in 316L stainless steel housing. The sensing package utilizes silicone oil to transfer pressure from the 316L stainless steel diaphragm to the sensing element.Through strict component making, semi-finished product and all-finished product testing and aging, the transmitter is stable and reliable, having excellent flexibility, sensitivity and diversity.

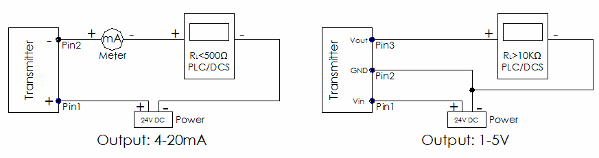
Various amplified output with 4~20mA, 0.5~4.5V, 0~5V.Various pressure ports, both cable and connector outlets are available; For maximum meeting customer’s needs, Special design will be provided if required.

Features:

  • Flush diaphragm, sanitation ,anti-corrosive type are available
  • Piezoresistive and ceramic sensor optional
  • Full stainless steel design
  • SSI type optional

Applications:

  • Hydraulic/Pneumatic Control Systems
  • Energy and Water Management
  • Pressure calibration system
  • Process control
  • Ship and aircraft application

Specifications( Refer to 25℃ )
Sensor Type Piezoresistive/ceramic Operable Temp.(℃) -20~85℃
Wetted parts 316L Stainless steel Storage Temp(℃) -40℃-125℃
Housing 304 Stainless steel Long term stability ±0.25%FS(Typical)
Sealing method O-ring Zero error(%FS) ±0.5%
Power supply 12-36V DC(24V standard) Full range error(%FS) ±0.5%
Protection grade IP65 Thermal Zero drift(%FS) ±1.0%
Pressure port See below code description Thermal Span drift(%FS) ±1.0%
Accuracy (Combined Non-linearity, Hysteresis and Non-repeatability)%FS X Customized Input Voltage / Output See below code description
0.25%(Typical) Response 1KHz

Pressure Range(Bar)

-0.1…0…600Bar

Insulation Min1MΩ @250VDC&25℃
Shock 100g,11msec
Over pressure 3X Full Range Noise < 2m VRMS
Burst pressure 4X Full Range or 20kpsi which is less Pressure reference Absolute /Vent Gauge/ Seal Gauge
Life >107 Full Range Pressure Weight 85g Max.
  • Thermal drift refer to 25℃ output

Outline Drawing:


High Accuracy Smart Pressure Transducer for automatic device application HPT-6SSI

Electric Circuit:

High Accuracy Smart Pressure Transducer for automatic device application HPT-6SSI

High Accuracy Smart Pressure Transducer for automatic device application HPT-6SSIHigh Accuracy Smart Pressure Transducer for automatic device application HPT-6SSI


Quality High Accuracy Smart Pressure Transducer for automatic device application HPT-6SSI for sale

High Accuracy Smart Pressure Transducer for automatic device application HPT-6SSI Images

Inquiry Cart 0
Send your message to this supplier
 
*From:
*To: Shenzhen Haohua Electronic Co.,Ltd
*Subject:
*Message:
Characters Remaining: (0/3000)
 
Inquiry Cart 0